Overview & disclaimers

This post compares the power efficiency of some voltage boosting circuits. The circuits discussed here are:
- Buck converter
- Parallel buck converter
- Serial buck converter
- Pulsed transformer
- Joule thief
- Honorary mentions
What we’re doing here is neither complete nor scientific and aspires to more than it delivers.
Comparison base line
The generic version of all voltage-boosting circuits in this comparison is this (2025.04.29 updated circuit diagram):

We’ll require that all circuits lift a 5V DC input voltage to a stable 10V output voltage measured on a 1ΚΩ resistor load. Power efficiency is the power consumed on the resistor load divided by the power delivered by the input voltage source. All numbers were chosen semi-arbitrarily.
5V is a widely used voltage in low-power electronics, so it’s widely available and low enough to justify needs to raise a voltage for further use. We could have chosen eg. 3V or 1,5V, but some circuits don’t operate on such low input voltages, which would have reduced the selection to a uselessly small sample.
The resistor load is important, because without load there is no power consumption and we couldn’t compare efficiencies. Also we want the circuits to prove that they can do something with the voltage they produce. 1KΩ is a representative resistance when driving CMOS logic, but too high for more complex circuits or even electric motors or larger LED installations.
The efficiency numbers aren’t based on calculations or research – I merely ran each circuit in the excellent Lush Projects simulator [SIM] and recorded the numbers it gave me. We’re assuming that the control logic’s (eg. clocks, logic gates) power consumption is negligible. Thus the efficiency is calculated as the ratio of the power lost on the 1ΚΩ load resistor divided by the power generated by the power source. Both values were read from the simulator.
Each power source includes a 1Ω resistor to model internal battery resistance, wire losses etc. Each circuit discussed here operates on the principle of converting the input DC voltage into an AC voltage, so some form of alternating signal must be used. Where applicable, circuits uses a clock to control timings; the clock is fixed at an arbitrarily chosen 1KHz frequency with a 50% duty cycle.
All circuits smoothen current draw from the input source with a 470μF capacitor, which makes power consumption calculation easier.
All circuits use MOSFET transistors with a 1,5V threshold voltage. We’re not using BJTs as they draw current into the base which we’d have to measure and include in the efficiency calculations – MOSFETs are much simpler in that regard as they don’t draw gate current. The downside of MOSFETs is their large threshold voltage which excludes them from use in low-voltage applications.
[update 2025.04.29] The diodes offered here by the simulator have a 1,5V voltage drop which probably corresponds to a a silicon diode.
Boost converter
Wikipedia says that the Boost Converter [BC] (or step-up converter) converts a high voltage, low current source to a low voltage, high current source, but as we’ll see, it can do the opposite, too. The Wikipedia article is quite good, so I won’t go into details of the circuit’s operation principles. The important thing to note is that when the clock outputs a pulse, the transistor conducts and current goes through the coil. When the clock is 0V, the transistor shuts off and the coil’s inductive current builds up a high voltage which is siphoned off by the diode into a capacitor. The capacitor smooths the induced pulses into a (more or less) stable DC voltage. The circuit produces almost exactly 10V at the 1KΩ load resistor. The power consumed, produced and the power efficiency are:
| Power in | 108 mW |
| Power out | 95,5 mW |
| Efficiency | 88,43% |

Circuit source [BCCS]
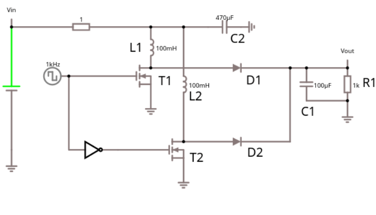
Parallel boost converter
The simple BC uses one half of the clock cycle to build up magnetic energy in its coil and the other half to transfer that energy into a capacitor as electricity. We could operate two BCs side by side in a tandem, where one works on the normal clock phase and the other on the inverted clock phase. This way, when one BC builds energy in its coil, the other discharges its own coil into the common load capacitor. We’d expect this arrangement to simply produce more current, it isn’t immediately obvious why this would have a different power efficiency from the simple BC. However, when run in the simulator, the numbers speak for themselves:
| Power in | 110 mW |
| Power out | 102 mW |
| Efficiency | 92,73% |
The parallel BC is about 4% more efficient than the simple BC. Why? When connecting two BCs in parallel, the effective output voltage on the load resistor grows past the required 10V. Since we are comparing circuits on a level playing field, it wouldn’t be fair to the parallel BC to compare its efficiency against other circuits while it over-delivers on output voltage. So the coils’ (L1 and L2) impedance was enlarged to draw less power from the source which dropped the output voltage to the required 10V. We could have done the same by increasing the 1Ω resistor, but that would have lost more power on that resistor, requiring more complex calculations to base line measurements.

Circuit source [PBCCS]
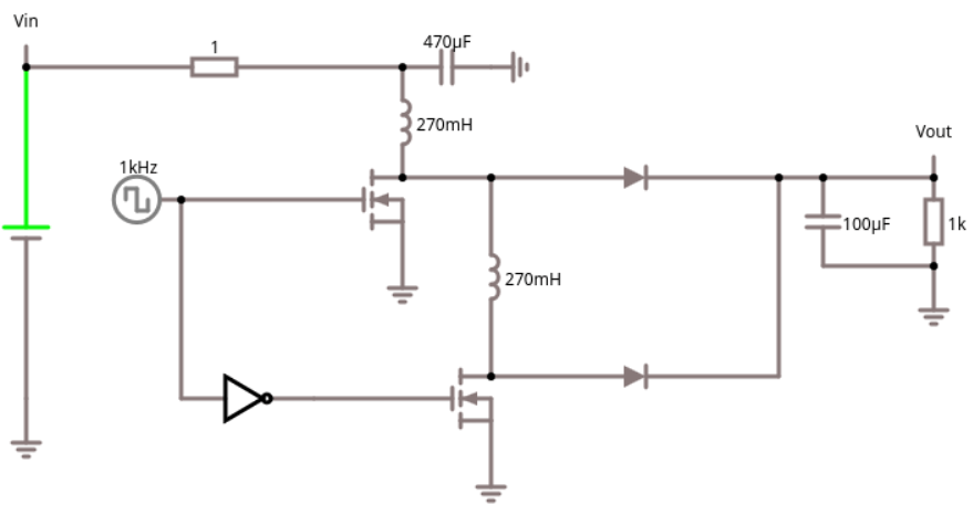
Serial boost converter
I “discovered” the next circuit by accident – I didn’t find any description on the interwebs, but I won’t go as far as claiming authorship. The serial BC feeds a second BC with the pulse voltage from the first, again making use of the other half clock cycle. Admittedly I don’t understand every detail of its operation, my intuition is that the “kickback” from the first coil is used to feed the second BC and build up an even higher voltage there. The efficiency numbers aren’t bad either:
| Power in | 109,5 mW |
| Power out | 100 mW |
| Efficiency | 91,32% |
When run with the same configuration as the simple BC, the serial BC produces almost 3x the output voltage with the same load! Just like in the case of the parallel BC, because we’re comparing apples to apples, the coil inductance was increased even further to drop the output voltage to the base line 10V that were required to “pass the test”. So, while the serial BC is slightly less efficient than the parallel BC, its ability to produce higher output voltages, when required, are worth keeping in mind.

Circuit source [SBCCS]
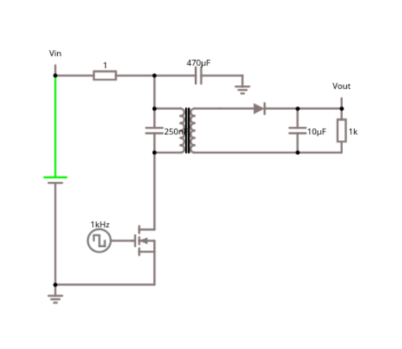
Pulsed transformer
The pulsed transformer replaces the inductive coil with a voltage multiplying transformer. A bit anti-climacticly, it performs worse than the previous circuits. The transformer’s 1:2,5 ratio meets the 10V output voltage requirements. A half-wave rectifier produces the required output DC voltage; replacing it with a full bridge rectifier (diagram not include) dropped efficiency to about 65%. Out of curiosity, I also switched the square wave clock with a sine wave, which didn’t improve things either.
| Power in | 130mW |
| Power out | 96mW |
| Efficiency | 73,85% |

Circuit source [PTCS]
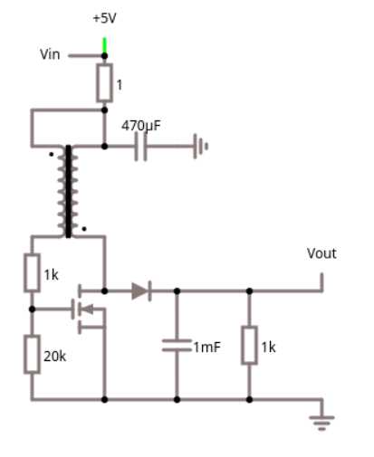
Joule thief
Update 2025.04.25 The Joule thief [JOT] is a clever little circuit which works with very low input voltages, is self-timed and extremely simple, considering it doesn’t require a square wave clock like the other circuits we’ve seen so far. The transformer in this instance has a 1:7,5 ratio – that was necessary to restrict power output so that the voltage settles to 10V at the load resistor. A rather large 1mF capacitor smooths the output voltage. As the circuit is self-timed, I didn’t try to tune its resonance frequency to the 1KHz the other circuits use – it oscillates at a much lower frequency. Joule thieves usually are built with BJT transistors because their design requires that current flows through the primary coil of the transformer and through the transistor base. Since we’re using MOSFETS, the current flow is ensured by a resistor from the gate to ground. As it’s a rather large resistor (20KΩ), it doesn’t waste much power…
… which is good, because the Joule thief isn’t an efficient circuit. With 22% it has the worst power efficiency of all circuits tested here.
| Power in | 450 mW |
| Power out | 100 mW |
| Power efficiency | 22% |

Circuit source [JTCS]
Honorary mentions
I really wanted to try out a charge pump [CHP], but couldn’t get it to perform well enough given the constraints outlined in the overview. The charge pump requires that the clock is a “strong” current source which could be done easily by just stacking a driver MOSFFET after the clock, but the high threshold voltage means that the clock’s “on” phase wouldn’t be 5V anymore but 3,5V and the “off” phase wouldn’t be 0V but 1,5V. These clipped thresholds reduce the current source’s voltage range to 1,5V – 3,5V, which is just 2V. In the simulator I couldn’t get output voltages above 6V with an input voltage of 5V. Increasing the input voltage easily led to higher output voltages, but that would violate the constraints of this context.
I also didn’t try zero voltage switching [ZVS] circuits because I don’t understand them well enough.
Resources
[SIM] Lush Projects circuit simulator
https://lushprojects.com/circuitjs/circuitjs.html
[BC] Boost converter – Wikipedia
https://en.wikipedia.org/wiki/Boost_converter
[CHP] Charge pump on Wikipedia
https://en.wikipedia.org/wiki/Charge_pump
[ZVC] Zero voltage switching circuit
https://electronics.stackexchange.com/questions/677245/zero-voltage-switching
[JOT] Joule thief – Wikipedia
https://en.wikipedia.org/wiki/Joule_thief