On a rather hefty rsync job between two local ext4 filesystems, writing on the target (a mechanical hard drive which should be able to sustain 100 mb/s) would fluctuate strongly (between 0 mb/s and 160 mb/s) and effectively slow down to a few mb/s on average after a few minutes. While I didn't find the … Continue reading Slow rsync on ext4 filesystem
Month: Sep 2021
Team organisation by capabilities
TL;DR: team must match information- and command flow. Team organisation is a conscious effort Early in my career at Accenture a management class discussed methods for building teams by aligning team capabilities with their mission statements. Which is a bloated way of saying "we made sure we had the right skills for the job". Back … Continue reading Team organisation by capabilities
Ubuntu 20.04 not resolving local network hostnames
An Ubuntu 20.04 laptop installation started not being able to resolve the names of hosts in the same local network. Although the host names were registered with the router, the laptop wouldn't be able to resolve those host names. Surprisingly, neither netbios resolution worked (although nbtscan would find those hosts). The solution is to bypass … Continue reading Ubuntu 20.04 not resolving local network hostnames
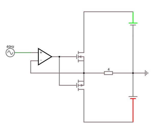
Single push-pull amplifier with cross over compensation
There is a Mandarin translation of this post. This is just going to be a quick one. Double push-pull amplifier with cross over compensation explained a high-power amplifier circuit which creates a balance point and corrects for cross over. A much simpler version of the circuit depends on two equal voltage sources creating that 0V … Continue reading Single push-pull amplifier with cross over compensation
Samba anonymous shares
I'm currently writing up changes to the perfect, cheap NAS [1]. A major change is that I dropped support for user-level windows/samba shares and am using only a few public browsable shares. It turns out that Windows clients always ask the user for a password even though the samba share is anonymous. The reason seems … Continue reading Samba anonymous shares

