親愛的讀者! 這個實驗是我原帖的(自動)翻譯成中文。 原帖標題為“帶交叉補償的單推挽放大器”。 我希望文本在你的語言中是有意義的,我希望你喜歡閱讀。
這將是一個快速的。具有交叉補償的雙推挽放大器解釋了一種高功率放大器電路,它創建一個平衡點併校正交叉。一個更簡單的電路版本依賴於兩個相等的電壓源來創建 0V 平衡點,因此它使用單個推挽對而不是兩個。此外,由於我們不再需要 180° 反相信號,因此單個差分放大器足以校正交叉。請注意,雖然電路會放大功率(通過放大電流),但它不會放大電壓:2V 輸入信號將導致 2V 輸出信號。

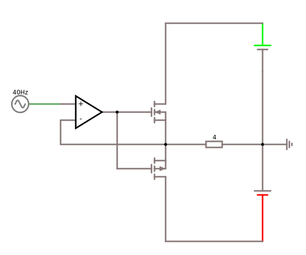
關於電路圖的一些簡短說明: 40Hz AC 是一個任意輸入信號,但它應該在 0V 左右平衡 – 一個不平衡的信號(例如,如果它在幅度的 + 側花費更多時間而不是在 – 側花費更多時間)會導致通過 PA 晶體管和負載的淨直流電流,這可能會使電路的某些部分過載,或者至少需要更多的冷卻。
4Ω 電阻器是任意輸出負載(如揚聲器或變壓器線圈)的佔位符——這就是人們首先要構建此放大器的原因。
兩個電池必須具有相同的電壓、內阻和功率,以便即使在負載下,它們也能準確地平衡在 0V(接地)。它們的電壓取決於電路的其餘部分,我認為 5-12V 對於大多數應用來說應該沒問題。
晶體管是一對 PNP 和 NPN MOSFET,其規格應足以處理計劃的負載。它們的閾值電壓不應太高,但理論上是無關緊要的,因為運算放大器負責處理任何交叉失真。
差分放大器有多種用途:
1. 它通過其高輸入阻抗將輸入信號從放大器中解耦。
2. 它放大輸入信號
3. 它通過比較輸入信號和輸出信號來補償輸出中的交叉失真
4. 它可以在一定範圍內補償不平衡的電壓源
由於電路不放大電壓,因此運算放大器的標稱輸出信號幅度應該足夠大以驅動 MOSFET 晶體管對。特別是對於高頻,運算放大器通過提供足夠大的輸出信號來補償 MOSFET 柵極電容,從而充當 MOSFET 驅動器。